| Titel: | Analyse der Wasser zu Paris, von L. N. Vauquelin; geordnet und herausgegeben von A. Bouchardat. |
| Fundstelle: | Band 36, Jahrgang 1830, Nr. LXVI., S. 274 |
| Download: | XML |
LXVI.
Analyse der Wasser zu Paris, von L. N. Vauquelin; geordnet und
herausgegeben von A.
Bouchardat.Wir muͤssen hier gleich Anfangs Hrn. Genieys, dem ausgezeichneten Ingenieur
an den Wasserleitungen zu Paris, unseren Dank bezeugen, da er die Guͤte
hatte uns mit allen zu unseren Analysen nothwendigen Wassern zu versehen. A. d. O.
Aus dem Journal de Pharmacie. N. I. 1830. S.
1.Wir theilen hier diese Analyse der Wasser zu Paris mit, weil Kenntniß des Wassers
eines Ortes dem Fabrikanten, der desselben bedarf, bei seinen Arbeiten und
Nachahmungen gewisser Arbeiten eben so unumgaͤnglich nothwendig ist, als
dem Arzte bei Erhaltung der Gesundheit und Heilung der Krankheiten seiner
Patienten. Wenn Fabrikanten ihr Wasser untersuchen wollen, so duͤrfen sie
nur dem hier aufgestellten Muster aller Analysen folgen: es ist die lezte Arbeit
des unsterblichen Vauquelin, eines der ersten
Chemikers seines Zeitalters, der bis zu seinem maͤnnlichen Alter
Hausknecht war, und dann eine der Zierden der Akademie zu Paris geworden
ist.A. d. Ue.Wenn der unsterbliche Vauquelin vom
Hausknechte aus eine Zierde der Akademie zu Paris geworden ist,
wuͤrden nicht, durch einen Reductionsproceß, die Mitglieder
einiger Akademien auch die Zierde derselben werden koͤnnen, wenn
sie wieder Hausknechte wuͤrden?A. d. R.
Vauquelin, Analyse der Wasser zu Paris.
Ehe wir es unternahmen, die bestimmten Mengen der fixen Bestandtheile des Wassers des
Ourcq-Canales im Vergleiche mit reinem Wasser anzugeben, hielten wir es fuͤr nothwendig
uns bei unseren Untersuchungen durch die Beobachtung der verschiedenen Charaktere
leiten zu lassen, welche die bei den Analysen der Wasser gewoͤhnlich
angewendeten Reagentien in denselben darbieten, insofern man sie bloß zur Entdekung
des Daseyns gewisser Bestandtheile in lezteren anwendet. Um diese Untersuchung noch
sicherer und interessanter zu machen, haben wir es fuͤr zwekmaͤßig
gefunden, sie gleichzeitig auf die Wasser der Seine auszudehnen, und diese mit dem
Wasser des Ourcq-Canales zu vergleichen. Wir haben, immer unter gleichen
Umstaͤnden, mehrere vergleichende Versuche angestellt, und das Resultat
unserer Beobachtungen in folgender Tabelle zusammengestellt.
Pruͤfung der Wasser mit
Reagentien.
Textabbildung Bd. 36, S. 274
Bezeichnung des Wassers.
Kalkwasser. Aezendes Kali. Ammonium. Phosphorsäure Soda. Phosphorsäure Soda und
Ammonium. Sauerkleesaures Ammonium. Salpetersaure Schwererde. Blausaures Kali.
Seifenwasser. Wasser des Ourcq-Canales (Paris). Plözliche und sehr
bestimmte Trübung. Flokiger sehr deutlicher Niederschlag. Ploͤzliche sehr
deutliche Truͤbung. Leichte Truͤbung. Truͤbung u. sehr
häufiger flokiger Niederschlag. Ziemlich haͤufiger Niederschlag. Ziemlich
haͤufiger Niederschlag. Nichts. Wasser der Seine (Paris). Anfangs nichts;
leichte Truͤbung. Beinahe unmerklicher Niederschlag. Nichts. Wenig
merkliche Truͤbung. Truͤbung und sehr leichter Niederschlag. Wenig
haͤufiger Niederschlag. Leichte Truͤbung, sehr haͤufiger
Niederschlag. Nichts. Wasser aus der Quelle des Pannats. (Avallon, Yonne.)
Leichte Truͤbung, d. sich durch Zusaz eines Tropfens Säure verliert.
Nichts. Nichts. Nichts. Nichts. Nichts. Leichte Truͤbung, d. sich durch
Zusaz eines Tropfens Saͤure verliert. Nichts.
Analyse zur Bestimmung der Mengen der in den untersuchten
Wassern gefundenen Bestandtheile.
Wir wollen hier die Reihe von Arbeiten beschreiben, die wir nach und nach vornahmen,
um zur Kenntniß der Menge der verschiedenen Bestandtheile zu gelangen, welche in den
Wassern des Ourcq-Canales, verglichen mit jenem der Seine, enthalten sind.
Wir hatten vier Kruͤge Canalwasser, N. 1, 2, 3,
4, und eben so viel Seinewasser, N. 1, 2, 3, 4. Wir
haben dasjenige Verfahren bei der Analyse gewaͤhlt, welches uns am besten
geeignet schien, um unseren Zwek mit voller Sicherheit zu erreichen, haben aber
dabei jede Arbeit wenigstens 8 Mal wiederholt. Wir haben nach und nach einige
Abaͤnderungen an unserer Verfahrungsweise vorgenommen, und jedes Mal neue
Vorsichtsmaßregeln getroffen, so daß es uns erlaubt ward mit desto groͤßerer
Sicherheit auf die Genauigkeit unserer Arbeit uns zu verlassen. Bei den ersten
Arbeiten wurden die beiden kohlensauren Verbindungen nicht von einander geschieden;
als wir jedoch das Produkt genauer untersuchten, das wir fuͤr reinen
kohlensauren Kalk hielten, schieden wir noch kohlensaure Bittererde, wenn gleich in
aͤußerst geringer Menge, jedoch immer und bestaͤndig, aus derselben
ab.
Wir werden nicht alle Versuche, alle Beobachtungen im kleinsten Detail beschreiben,
durch welche wir nach und nach zu Resultaten gelangten, die wir nicht weit von der
Wahrheit entfernt glauben. Wir wollen uns begnuͤgen nur das Detail einer
unserer lezten Analysen hier aufzustellen, und dann alle unter einander vergleichen,
und alle unsere endlichen Resultate in einer Tabelle vorlegen.
Die Analyse, die wir hier beschreiben, ist jene, die wir mit dem Wasser des Canales
N. 4. vorgenommen haben. Wir haben
sorgfaͤltig 6 Liter davon abgemessen, und diese langsam und
sorgfaͤltig in einer silbernen Schale, die 10 Liter halten mochte,
abgedampft. Diese Schale war waͤhrend der Abdampfung immer mit einem Blatte
ungeleimten Papieres bedekt, welches vorlaͤufig in destillirtem Wasser
ausgewaschen worden war.
Die erste Einwirkung der Waͤrme schien das Wasser nicht zu truͤben; nur
erst als die Verdampfung begann, und die Hize sich jener des siedenden Wassers
naͤherte, konnte man eine weiße kreisfoͤrmige Deke in gleicher
Hoͤhe mit der Hoͤhe des Wassers wahrnehmen. Dieses Product fuhr
waͤhrend der verschiedenen Perioden der Verdampfung in seiner Bildung fort
und erzeugte sehr deutliche Kreise. Als die Abdampfung bis auf zwei Drittel
gelangte, nahm das Wasser eine sehr leichte Bernsteinfarbe (teinte ambrée) an, die immer zunahm, bis es endlich auf vier Unzen
eingedampft war, wo wir mir dem Abdampfen aufhoͤrten. Wir ließen das Wasser
sich sezen, und richteten ein kleines Filtrum, N. 1., vor, durch
welches wir die noch uͤbrige Fluͤssigkeit, und die
Absuͤßwasser, welche wir durch das wiederholte Absuͤßen mit kaltem
destillirten Wasser erhielten, filtrirten. Die unaufloͤsbaren Salze blieben
an der Schale haͤngen. Wir ließen zu wiederholten Malen mit Wasser
verduͤnnte Essigsaͤure auf sie wirken, und loͤsten sie dadurch
auf. Nachdem die Fluͤssigkeit, welche die im Wasser aufloͤsbaren Salze
enthielt, filtrirt war, brachten wir die saure Fluͤssigkeit auf dasselbe
Filtrum, und wuschen dieses Filtrum nach dem Filtriren mit dem mit
Essigsaͤure gesaͤuertem Wasser. Auf diese Weise schieden wir die fixen
Bestandtheile, die in N. 4. des Canalwassers enthalten
waren, in drei Theile:
1) in jene, welche in kaltem Wasser aufloͤsbar sind;
2) in solche, die in Essigsaͤure sich aufloͤsen;
3) in solche, die weder in Wasser noch in Essigsaͤure aufloͤsbar
sind.
Diese drei Producte analysirten wir nun weiter auf folgende Weise.
Bestandtheile, welche im Wasser aufloͤsbar
sind.
Wir brachten die Fluͤssigkeit, welche die im Wasser aufloͤsbaren
Bestandtheile enthielt, in eine Schale aus Porzellan, und dampften sie langsam,
sorgfaͤltig und vollkommen ab. Wir erhielten auf diese Weise eine salzige
Masse, welche von den im Wasser enthaltenen und durch die Waͤrme zum Theile
zerstoͤrten organischen Stoffen rothbraun gefaͤrbt war. Um die in
dieser Masse enthaltenen zerfließenden Salze abzuscheiden, behandelten wir dieselbe
zu wiederholten Malen und durch anhaltendes Einweichen in 38 gradigem Alkohol. Der
Alkohol wurde dadurch braun gefaͤrbt. Wir haben nicht ehe mit Anwendung
desselben aufgehoͤrt, als bis er nichts mehr weiter von der Masse
aufnahm.
Wir haben alle diese alkoholischen Producte auf einem kleinen getrokneten und
abgewogenen Filtrum, N. 2., filtrirt. Dieses Filtrum
wurde mit Alkohol gehoͤrig ausgewaschen. Hierauf ließen wir alles, was durch
das Filtrum durchgelaufen war, bei einer sehr gelinden Waͤrme in einer
kleinen abgewogenen Schale abdampfen. Der salzige Ruͤkstand betrug, stark
getroknet, 022. Da wir die Natur desselben bereits kannten, behandelten wir ihn auf
folgende Weise.
Er wurde in Wasser aufgeloͤst, und man sezte reines kaustisches Kali in
hoͤchst geringem Ueberschusse zu. Die Fluͤssigkeit verwandelte sich
dadurch in eine diklichte Masse, die man mit filtrirtem Wasser verduͤnnte
und, gut aussuͤßte. Der getroknete und ausgegluͤhte Niederschlag wog
0,075; durch Schwefelsaͤure, mit welcher er sich verband, uͤberzeugte
man sich, daß er bloß Bittererde war. Diese Menge derselben stellt 0,21
kochsalzsaure Bittererde vor, wenn man annimmt, daß dieses Salz aus 64,67 Kochsalzsaͤure
und 35,37 Bittererde besteht. Als man die Fluͤssigkeit mit salpetersaurem
Silber behandelte, bildete sich ein Niederschlag, der genau so viel
Silberchloruͤr darbot, als noͤthig ist, um die in dem
Ruͤkstande von 0,22 enthaltene Kochsalzsaͤure darzustellen, und die
0,075 Bittererde saͤttigt.
Nachdem die Art und die Menge der zerfließenden Salze so genau als moͤglich
bestimmt war, wirkten wir auf die noch uͤbrigen Salze, die das Wasser
aufgeloͤst haben konnte, und auf welche der Alkohol nichts mehr vermochte,
auf folgende Weise ein. Wir schuͤttelten ihn in derselben Abrauchschale mit
ungefaͤhr 20 Theilen seines Gewichtes destillirtem Wasser. Der groͤßte
Theil der Salzmasse konnte sich aufloͤsen, und es blieb so zu sagen nichts
uͤbrig, als ein Stoff, der, wie wir sehen werden, die bittererdigen Salze
selbst nach mehreren Aufloͤsungen und Abdampfungen begleitet, d.h., eine sehr
geringe Menge Kieselerde. Da wir nach mehreren Versuchen die Gewißheit erlangten,
daß das im Wasser aufgeloͤste Salz nicht rein und ungemengt und einzeln war,
und da mehrere Versuche uns uͤber die Natur der Bestandtheile derselben
aufgeklaͤrt hatten, so sezten wir der oben beschriebenen Aufloͤsung so
viel Alkohol von 38° zu, als wir Wasser genommen haben. Die Aufloͤsung
truͤbte sich augenbliklich. Wir ließen dieselbe sich sezen, und gossen sie
dann auf das Filtrum, N. 2., welches zur Filtrirung der
zerfließenden Salze gedient hat. Dasselbe wiederholten wir oͤfters mit
demjenigen Stoffe, der sich nicht aufloͤsen konnte. Wir gossen alle diese von
dem alkoholisirten Wasser erhaltenen Colaturen zusammen, und rauchten sie in einer
kleinen Schale sorgfaͤltig bis zur vollkommenen Trokenheit ab. Der
Ruͤkstand wog 0,48. Wir loͤsten denselben neuerdings im Wasser auf,
und erhielten mit der noͤthigen Sorgfalt reine und schoͤne Krystalle
von schwefelsaurer Bittererde. Um keinen Zweifel uͤber die Natur und die
Menge dieses Salzes uͤbrig zu lassen, verfuhren wir mit demselben auf
folgende Weise.
Nachdem wir dasselbe in einer hinlaͤnglichen Menge Wassers aufloͤsten,
sezten wir derselben kaustisches Kali in einem geringen Ueberschusse zu. Es bildete
sich ein Niederschlag, der, gehoͤrig ausgesuͤßt und
ausgegluͤht, 0,15 wog. So viel ausgegluͤhte Bittererde stellt aber
0,44 trokene und reine schwefelsaure Bittererde dar, wenn man annimmt, daß dieses
wasserfreie Salz in 100 Theilen 34,02 reine Bittererde enthaͤlt. Um diese
Analyse ganz zu vollenden, und durch Vergleichung diese ersten Resultate zu
bestaͤtigen, haben wir die von der Bittererde abgeschiedenen
Fluͤssigkeiten zusammengegossen, und mit salpetersaurer Schwererde
niedergeschlagen; wir haben die erhaltene schwefelsaure Schwererde
ausgesuͤßt, auf dem Filtrum gesammelt und ausgegluͤht: sie wog
0,88. Wenn man annimmt, daß dieses Salz 34,37 in 100 Theilen Schwefelsaͤure
enthaͤlt, so erhaͤlt man 0,46 fuͤr die Menge der schwefelsauren
Bittererde, welche durch diese schwefelsaure Verbindung dargestellt wird.Um, den schwefelsauren Kalk von der schwefelsauren Bittererde zu scheiden,
haͤtten wir eine gesaͤttigte Aufloͤsung von
schwefelsaurem Kalk nehmen koͤnnen; dieses Mittel gewaͤhrt,
wie man sagt, eine große Genauigkeit, man suchte aber, ohne Einwirkung
irgend eines Reagens, vorzuͤglich nur reine und vollkommen
charakterisirte Bittererde zu erhalten, und hierzu haͤtte dieses
angegebene Mittel nicht getaugt.A. d. O.
Es bleibt also von den Koͤrpern, welche das kalte Wasser aufloͤsen
konnte, nur jener Theil noch uͤbrig, welchen die Absuͤßungen mit dem
alkoholisirten Wasser nicht entfernen konnten, und von welchen ein Theil sich auf
dem Filtrum N. 2. fand. Wir loͤsten diesen Theil,
und das, was noch davon in der Schale war, in Wasser auf, welches mit
Kochsalzsaͤure gesaͤuert ward. Da wir die Natur des Salzes kannten,
welches das gesaͤuerte Wasser aufloͤsen konnte, so sezten wir diese
Fluͤssigkeiten bei Seite, und bezeichneten sie mit A.
Wir haben also noch jene Theile zu untersuchen, die has Wasser nicht aufloͤsen
konnte, und wollen mit denjenigen den Anfang machen, die in verduͤnnter
Essigsaͤure aufloͤsbar waren. Die zusammengegossenen
Fluͤssigkeiten wurden mit vieler Sorgfalt in einer Schale aus Platinna bis
zur Trokenheit abgeraucht. Es sezte sich ziemlich haͤufig ein salziges
Product zu Boden, welches, ohne eine Krystallform anzunehmen, sich jedoch
symmetrisch und wie Blumenkohl zusammenhaͤufte. Dieses Salz wurde
sorgfaͤltig aus der Schale genommen, und in einem Platinnatiegel stark
ausgegluͤht. Bei einem ersten Versuche hielten wir das Product dieser
Ausgluͤhung fuͤr beinahe reinen kohlensauren Kalk; die nachfolgende
Analyse hat gezeigt, daß wir uns taͤuschten.
Wir saͤttigten diese vermeintliche kohlensaure Verbindung mit einem
Ueberschusse von Kochsalzsaͤure, und nahmen in dieser Hinsicht 1) die
saͤuerliche Fluͤssigkeit A, die wir bei
Seite stellten, welche Koͤrper enthielt, die das Wasser nicht
aufzuloͤsen vermochte, oder die durch Zusaz von Alkohol niedergeschlagen
wurden. 2) das saͤuerliche Wasser, das uns zum Auswaschen des Filtrums N. 1. diente. Da die Fluͤssigkeit Saͤure
im Ueberschusse enthielt, so filtrirten wir sie auf dem Filtrum N. 2., welches wir in der Folge mit saͤuerlichem
Wasser gut auswuschen. Alle Colaturen wurden mit gehoͤriger Sorgfalt
zusammengegossen, und in einer Schale aus Porzellan beinahe bis zur Trokenheit
abgeraucht, wobei wir jedoch Acht gaben, daß der Ueberschuß von Saͤure
beibehalten und der Rand nicht troken wurde.
Wir behandelten das saͤuerlich salzige Product zu
wiederholten Malen mit Alkohol von 38°; die zerfließenden kochsalzsauren
Verbindungen loͤsten sich auf. Nach mehreren Absuͤßungen blieb auf dem kleinen
getrokneten und abgewogenen Filtrum nichts, als reiner Gyps, schwefelsaurer Kalk) in
Form eines Pulvers oder sehr weißer Nadeln, die wie Atlas glaͤnzten,
zuruͤk. Dieses Salz wog, gut ausgetroknet, 0,79.
Wir gossen nun alle alkoholischen Fluͤssigkeiten, welche Salze enthielten, die
durch Hydrochlorsaͤure in zerfließende kochsalzsaure Verbindungen verwandelt
wurden, zusammen. Wir rauchten den Alkohol langsam ab, und loͤsten den
Ruͤkstand in einer geringen Menge Wassers auf. Die
uͤberschuͤssige Kochsalzsaͤure wurde mit sauerkleesaurem
Ammonium gesaͤttigt, und die Fluͤssigkeit durch ein Filtrum, dessen
Gewicht bekannt war, durchfiltrirt: das Papier, aus welchem dieses Filtrum
verfertigt war, gab bei dem Ausgluͤhen eine Asche, deren Menge
vorlaͤufig bestimmt ward. Wir haben diese sauerkleesaure Verbindung
sorgfaͤltig ausgewaschen. Der Fluͤssigkeit, die mit sauerkleesaurem
Ammonium keinen Niederschlag mehr bildete, sezten wir Phosphorsaͤure
Ammoniumsoda in großem Ueberschusse zu. Sie truͤbte sich augenbliklich. Als
die Fluͤssigkeit bei einem Ueberschusse des niederschlagenden Koͤrpers
keinen Niederschlag mehr gab, sammelten wir den gebildeten Niederschlag auf einem
abgewogenen Filtrum, und suͤßten denselben mit aller moͤglichen
Sorgfalt aus. Wir gluͤhten die beiden Producte in Platinnatiegeln aus;
ersteres, das aus sauerkleesaurem Kalke bestand, gab uns nach dem Ausgluͤhen
0,72 kohlensauren Kalk. Wir verwandelten dieses Salz in schwefelsauren Kalk, und das
Gewicht desselben stand in Verhaͤltniß zu dem kohlensauren Kalke.
Der Niederschlag aus phosphorsaurer Ammonium-Bittererde wurde gleichfalls gut
ausgegluͤht, und wog 0,12. Wenn man nun annimmt, daß 100 Theile dieses Salzes
36,37 reine Bittererde enthalten, und 100 Theile kohlensaure Bittererde 48,41
Bittererde, so erhaͤlt man 0,09 fuͤr die Menge der kohlensauren
Bittererde, die in dem analysirten Wasser enthalten ist.
Es bleibt uns nun nur mehr das Product uͤbrig, welches auf den Filtern N. 1
und 2. zuruͤkblieb, das im Wasser unaufloͤsbar ist, so wie auch in
verduͤnnter Essig- und Kochsalz-Saͤure. Wir haben die
Filter, auf welchen es sich befand, eingeaͤschert, und nach Abzug derselben
wog es 0,12. Bei genauer Untersuchung zeigte es sich, daß es so zu sagen lediglich
aus Kieselerde bestand. Es ist indessen sehr schwer, die Menge dieses Oxydes mit
voller Genauigkeit anzugeben; denn, wie wir bereits bemerkten, alle Salze, und
vorzuͤglich die bittererdigen, sezen, wenn man dieselben neuerdings
aufloͤst, immer etwas von derselben wieder ab, und fuͤhren sie
bestaͤndig bei sich.
Hiermit waͤre nun die Beschreibung der Mittel, deren wir uns bedienten, um die in den sechs
Litern Canalwasser enthaltenen fremden Stoffe abzuscheiden, am Ende. Da wir besorgen
muͤssen, nicht klar genug gewesen zu seyn, so wollen wir in einer Tabelle den
fortschreitenden Gang der Analyse hier darstellen.
Textabbildung Bd. 36, S. 280
Fixe Bestandtheile in sechs Liter
Wasser aus dem Ourcq-Canal in den Bassins de St. Victor: Salze, welche
vom Wasser aufgelöst wurden: In Alkohol auflösbare Salze: Kochsalzsaure
Bittererde.... 0,22. In Alkohol unaufloͤsbare Salze: Aufgeloͤst in
Wasser, und nicht niedergeschlagen von 18 gradigem Alkohol: Schwefelsaure
Bittererde. 0,48. Salze, welche im Wasser unaufgelöst blieben, und in
verdampfter Kochsalzsäure aufgeloͤst wurden: Unaufloͤsbarer Theil
im Alkohol.... Hydrochlorsaure Verbindung, durch sauerkleesaures Ammonium
niedergeschlagen. Sauerkleesaurer Kalk, in kohlensauren Kalk verwandelt. 0,72.
Hydrochlorsaure Verbindung, nicht niedergeschlagen durch sauerkleesaures
Ammonium, wohl aber durch phosphorsaure Soda und phosphorsaures Ammonium.
Phosphorsaure Ammonium-Bittererde, darstellend die kohlensaure
Bittererde. 0,09. Unaufloͤsbarer Stoff in verduͤnnten
Saͤuren: Kieselerde... 0,12.
Organische Stoffe.
Es waͤre allerdings eilt interessanter und wichtiger Gegenstand, die Natur der
organischen Stoffe, die in den Wassern aufgelost enthalten sind, und die sich in den
verschiedenen Perioden der Zersezung der organischen Wesen, welche mit denselben in
Beruͤhrung sind, vorzuͤglich hei still stehendem Wasser, entwikeln, zu
untersuchen.
Ich glaube aber nicht, daß die bisher bekannten Mittel zu Analysen hinreichen, um
dieselben in dem wahren Zustande auszuscheiden, in welchem sie sich im Wasser
befinden. Selbst die einfachsten Mittel (die Abdampfung, der Alkohol etc.)
veraͤndern diese Producte, machen unaufloͤsbar, was aufgeloͤst
gewesen ist, und umgekehrt, und erzeugen mit einem Worte Veraͤnderungen,
welche man weder wahrnehmen noch wuͤrdigen kann. Es ist aͤußerst
schwer diese Koͤrper abzuscheiden, selbst wenn sie zersezt sind; sie mengen
sich in alle Producte der Analyse. Man findet sie bei den zerfließenden Salzen; die
schwefelsaure Bittererde selbst ist nicht frei davon, und die unaufloͤsbaren
Salze sind immer von denselben gefaͤrbt. Es blieben sogar noch Theile davon
auf den Filtern N. 1 und 2., welche durch Verdampfung
ganz unaufloͤsbar geworden sind.
Man koͤnnte vielleicht das Verhaͤltniß derselben kennen lernen, wenn
man die festen in den Wassern enthaltenen Bestandtheile sorgfaͤltig troknete,
und chlorsaures Kali denselben zusezte, und hiernach die Natur und die Menge der
gasartigen Producte wuͤrdigte, welche sich entwikeln; allein das Resultat
waͤre noch nicht so sicher, um die Muͤhe der Arbeit zu lohnen. Man hat
zu London bei der lezten Untersuchung der Wasser dieser Stadt verschiedene
Koͤrper angewendet, um die organischen Stoffe niederzuschlagen, und ihre
Menge nach dem erhaltenen Gewichte geschaͤzt.Wir haben die Analyse des Londoner Wassers im XXIX. Bd. S. 366. Polytechn. Journales mitgetheilt.A. d. R. Die Abdampfung kann mit Vortheil angewendet werden, um eine
Annaͤherung zu erhalten, wenn man vergleichungsweise verfaͤhrt, und
einige Uebung in Versuchen dieser Art besizt.
Es blieb uns noch die Natur der in den beiden Wassern enthaltenen Gasarten
vergleichungsweise zu bestimmen uͤbrig. Zu diesem Ende nahmen wir einen
Kolben und fuͤllten ihn 1 mit 750 Gramm Canalwasser N. 4. Wir brachten an
demselben eine kleine Roͤhre an, die in ein Gefaͤß tauchte, welches
Ammonium-Kalkwasser enthielt. Wir erhizten den Kolben bis zum Sieden. Es
vergingen wenigstens 5 Minuten, ehe eine bemerkbare Truͤbung sich zeigte;
indessen fing nach dieser Zeit das Wasser an weiß zu werden. Das Sieden wurde so
lang fortgesezt, als noch einige Atome Gas sich zu entwikeln schienen. Es ist nicht
noͤthig zu erinnern, daß in dem Kolben sich ein bemerkbarer Niederschlag
zeigte.
Wir ließen den reinen Niederschlag sich sezen, gossen die daruͤber stehende
Fluͤssigkeit ab, sammelten den Niederschlag auf einem Filtrum und wogen mit
aller noͤthigen Sorgfalt den gebildeten kohlensauren Kalk ab.
Genau dasselbe thaten wir auch mit dem Wasser aus der Seine N.
2.
750 Gramm des Ourcq-Canalwassers gaben uns 0,13 kohlensauren Kalk, was
0,056693 Kohlensaͤure darstellt, wenn man annimmt, daß 100 Theile dieser
kohlensauren Verbindung 43,61 Kohlensaͤure enthalten.
750 Gramm Seinewasser gaben uns 0,09 kohlensauren Kalk, welcher 0,039249 kohlensaures
Gas darstellt.
Dieselbe Menge reines Eisenprotosulfat mit denselben Mengen beider Wasser in
Beruͤhrung gebracht, zeigte auf eine merkliche Weise, sowohl durch die Menge
als durch die Natur des Niederschlages, daß das Wasser des Canales mehr
Kohlensaͤure enthaͤlt, als das der Seine; daß aber lezteres
dafuͤr eine offenbar groͤßere Menge Sauerstoffgas in sich
haͤlt. In der am Ende beigefuͤgten Tabelle kann man die
verhaͤltnißmaͤßigen Unterschiede beider Wasser in dieser Hinsicht
ersehen.
Die unaufloͤsbaren Salze, die in dem Wasser des Ourcq-Canales N. 1. enthalten sind, sind 0,350 in 1000 Theilen; im
Seinewasser N. 2 aber 0,1826. Der Unterschied liegt
weniger in dem kohlensauren Kalke als in dem schwefelsauren. Dieser Unterschied ist,
in Bezug auf lezteres Salz, sehr bedeutend; er ist noch merklicher, wenn man die in
beiden Wassern enthaltene schwefelsaure Bittererde Vergleichs. Man sieht, daß in dem
Wasser des Ourcq-Canales beinahe sechs Mal so viel davon enthalten ist, als
in dem Wasser der Seine. Hieraus erklaͤrt sich die Verschiedenheit in der
Einwirkung der phosphorsauren Ammonium-Soda auf diese beiden Wasser.
Wenn man die Wasser des Canales unter sich vergleicht, so sieht man, daß die Menge
des schwefelsauren und des kohlensauren Kalkes abnimmt, wie es in den
Behaͤlter St. Laurent gelangt, und daß sie in den
Vasseins de St. Victor noch kleiner wird. Die Menge
der schwefelsauren Bittererde hingegen scheint in entgegengesezter Progression
fortzuschreiten, was anzudeuten scheint, daß eine geringe Menge der
unaufloͤsbaren Salze sich waͤhrend ihres Laufes zu Boden sezt,
waͤhrend entweder die Steine oder der Moͤrtel, womit die
Behaͤlter gebaut sind, die schwefelsaure Bittererde dem Wasser abtreten. Es
sollte hiernach scheinen, daß die Menge dieses Salzes sich mit der Zeit vermindern
muͤßte, wenn die Durchdringung vollkommen geschehen ist.
Die Wasser aus dem Canale aus den vier angezeigten Orten enthalten eine sehr
merkwuͤrdige Menge Kieselerde, welche sich aber wegen der Anwesenheit der
bittererdigen Salze sehr schwer abscheiden laͤßt. Diese Erde ist auch noch in
dem Wasser der Seine enthalten, jedoch in einem Minimum, so daß sie sich nicht mit
irgend einer Genauigkeit bestimmen laͤßt.
Der Unterschied, der sich aus Vergleichung der Wasser der Seine an den verschiedenen
angezeigten Orten derselben ergibt, verdient noch genauer bemerkt zu werden. Die
ausgezeichneten Unterschiede, die man in dem Wasser an den beiden
gegenuͤberstehenden Ufern findet, ehe die Seine in die Stadt Paris eintritt,
ruͤhren ohne Zweifel von der Verschiedenheit des Wassers der Seine und der
Marne her, die ungemischt an beiden Ufern anlangen.
Am rechten Ufer findet man die Bittererde mit Kohlensaͤure, Schwefelsaͤure und Hydrochlor- oder Kochsalzsaͤure verbunden, und zwar in einer
sehr bedeutenden Menge; am linken Ufer aber findet man weder kohlensauren noch
schwefelsauren Kalk mehr; man findet nur noch Spuren desselben in Verbindung mit
Kochsalzsaͤure. Am rechten Ufer zeigen die zerfließenden Salze keine Spur von
salpetersaurer Verbindung; am linken Ufer hingegen
ist die Gegenwart der Salpetersaͤure sehr deutlich, obschon in einem sehr
geringen Verhaͤltnisse. Wenn man den aufgeloͤsten zerfließenden Salzen
kohlensaures Kali zusezt, so bildet sich in der Kaͤlte kein Niederschlag;
wenn man aber durch Waͤrme die uͤberschuͤssige Saͤure
verjagt, so schlaͤgt sich die kohlensaure Bittererde nieder, und die
filtrirte und abgerauchte Fluͤssigkeit laͤßt salpetersaures Kali mit
beigemengter Hydrochlorsaͤure zuruͤk.
Diese salpetersaure Verbindung entsteht ohne Zweifel durch die doppelte Zersezung des
salpetersauren Kalkes und der schwefelsauren Bittererde, welche beide in dem Wasser
enthalten sind.
In der Mitte von Paris und bei dem Austritte der Seine aus dieser Stadt findet man
eine geringe Menge schwefelsaure Bittererde und kohlensaure Bitterde. Die Menge der
salpetersauren Bittererde hat sich auf ihrem Laufe unmerklich vermehrt, jedoch nicht
zu einer solchen Menge, daß man dieselbe mit einiger Genauigkeit bestimmen sonnte.
Der schwefelsaure und kohlensaure Kalk ist, an den angefuͤhrten Punkten,
nicht bemerkbar der Menge nach verschieden; die Menge organischer Stoffe nimmt
jedoch in dem Laufe der Seine durch die Stadt Paris zu, und erreicht beim Austritte
aus derselben ihr Maximum. Dieses Maximum kommt jedoch kaum der Menge organischer
Koͤrper gleich, welche in dem Wasser des Ourcq-Canales, an jeder
beliebigen Stelle geschoͤpft, enthalten ist.Es scheint jedoch ein wichtiger Unterschied zwischen diesen organischen Stoffen
beider Wasser; jene des Qurcq-Canales sind Reste von Pflanzen,
Wuͤrmern, Insekten, Fischen und Amphibien; die in der Seine die Reste
verfaulter Menschen und Saͤugthiere, der Excremente von 800,000
Menschen, unter welchen 20,000 Kranke. Multa sunt
cadem, sed aliter!
A. d. Ue. Vergleichung konnte uns bei den verschiedenen Analysen allein als Leiter
dienen; denn, wie wir bereits oben bemerkten, schien uns die Bestimmung der Menge
organischer Koͤrper durch Zahlen unmoͤglich.
Die drei lezten Analysen sind nur in geologischer Hinsicht merkwuͤrdig: wir
wollen uns kurz fassen.
Der Cousin ist ein kleiner Bach, der bei Avallon in einem tiefen Thale zwischen Granitfelsen
hinfließt. Eine merkwuͤrdige geologische Erscheinung ist der Umstand, daß der
Wasserspiegel dieses Baches, dessen Boden Granit ist, mehr als hundert Meter tief
unter Kalkfloͤzen liegt, welche das eine Ufer dieses Baches kroͤnen.
Es scheint demnach, daß der Granit sich hier oͤffnete, um diese Schlucht zu
bilden, nachdem schon lang vorher sich die Arkos-Eine Gebirgsart aus krystallinischem Kiesel, Feldspath, rosenrothem
schwefelsauren Schwerspathe und gelbem flußspathsaurem Kalk. (Bonnard.)A. d. O. und Kalklager gebildet hatten, welche hier den Granit bedeken.
Die Fontaine-Neuve entspringt aus einem
Granitfelsen am Huͤgel Morlande.
Obschon diese Quelle aus Granit entspringt, zeigt die Analyse doch kalkartige Salze
in dem Wasser derselben. Man wird sich diesen Umstand leicht erklaͤren, wenn
man bedenkt, daß das Wasser dieser Quelle durch Einsikerungen entsteht, die in den
daruͤber liegenden Felsen Statt haben; daß in der Naͤhe dieser Quelle
der Granit mit Arkos bedekt ist, der hier ungefaͤhr Ein Meter
Maͤchtigkeit halten kann; daß diese Schichte Arkos wieder mit anfangendem
Gryphitkalke bedekt ist, der weiter davon entfernt maͤchtige Lager
bildet.
Die Quelle des Pannats entspringt beinahe aus dem Gipfel
eines Granitfelsen auf einem Gute des Hrn. Goubault. Dieses Wasser war einst sehr
beruͤhmt. Die Koͤniginn Blanche ließ sich
dasselbe zu ihrem taͤglichen Gebrauche holen, als sie zu Blois wohnte. Der Ruhm dieser Quelle war nicht
unverdient; sie traͤgt sehr viel zur Verschoͤnerung dieses lieblichen
Landsizes bei.
Schlußfolgen in Hinsicht auf Vertheilung des Wassers in der
Stadt Paris.
Die große Frage uͤber allgemeine Vertheilung des Wassers in unserer Hauptstadt
wird jezt lebhaft eroͤrtert und unsere Analysen erhalten dadurch noch mehr
Interesse. Wir wollen aus denselben einige praktische Schlußfolgen fuͤr diese
Vertheilung ziehen.
Die beiden einzigen Quellen, die bestaͤndig eine hinreichende Menge Wassers
liefern, sind, wie man weiß, die Seine und der Ourcq-Canal.
Die ersten Fragen, die man sowohl in Hinsicht auf Gesundheit uͤberhaupt, als
auf Benuͤzung zum Haus- und Industrie-Gebrauche stellen muß,
sind:
Ist das Wasser des Ourcq-Canales eben so gut, als das der Seine? Nein. Die
Ursachen hiervon sind: das Wasser des Ourcq-Canales haͤlt mehr als
zwei Mal so viel fremde Salze, als das der Seine.
Unter diesen Salzen herrschen vorzuͤglich die schwefelsauren vor, die dort, wo
man mit Seife arbeiten muß, am meisten nachtheilig sind, und die, wie man allgemein
weiß, das Wasser haͤrter machen.
Das Wasser in der Seine laͤuft schneller, als jenes im Ourcq-Canal, und
hierdurch entstehen zwei wohlthaͤtige Wirkungen: erstens bekommt das Wasser
dadurch mehr Luft; zweitens wird die Menge organischer Koͤrper vermindert,
welche in demselben aufgeloͤst enthalten sind. Man hat gesehen, daß das
Wasser des Canales eine viel bedeutendere Menge derselben enthaͤlt.
Wir muͤssen jedoch hier beifuͤgen, daß das Wasser des Canales nicht
durchaus ungeeignet zu jedem Gebrauche bei Hause ist; die Menge der fremden
Bestandtheile ist noch nicht so betraͤchtlich in demselben, wie in gewissen
Wassern, die man als gesund betrachten kann. Indessen naͤhern sie sich der
Graͤnze, die sie waͤhrend trokener Witterung erreichen koͤnnen.
Da die Wahl hier leicht ist, so verdient das Wasser der Seine den Vorzug.
Wo soll man das Wasser aus der Seine nehmen?
Das Wasser der Seine ist an den beiden Ufern in Hinsicht der Natur der Salze, wie wir
gesehen haben, ganz verschieden; in Hinsicht der Menge derselben ist der Unterschied
nicht merklich, und kann von kleinen Irrungen herruͤhren, die bei solchen
Untersuchen unvermeidlich sind.
Die Natur der Salze ist kein Grund zur Beseitigung des Seinewassers; die Menge der
organischen Koͤrper ist im Seinewasser beinahe so groß, als in dem Wasser des
Ourcq-Canales; sie ist in der Mitte von Paris und beim Austritte aus dieser
Stadt in der Seine groͤßer; indessen hat auch dieses Maximum wenig zu
bedeuten, und kann nur ein geringfuͤgiger Beweggrund fuͤr einen Vorzug
des Wassers des Ourcq-Canales seyn.
Der wichtigste Grund, der die Wahl bestimmen kann, ist ein rein physischer. Vor dem
Eintritte in Paris fließt die Marne am rechten Ufer. Sie
laͤuft durch leichtes Akerland, und fuͤhrt oͤfters fremdartige
Theile mit sich, die in ihr schweben. Sie braucht eine laͤngere Zeit, um sich
zu reinigen.In keinem Werke findet man eine zureichende Entwikelung der verschiedenen
Laͤuterungs- und Reinigungs-Methoden des Wassers. Die
Abhandlung, die wir ankuͤndigten, enthaͤlt alle bisher
uͤber diesen Gegenstand angestellten Versuche. A. d. O. (Wir finden
keine Abhandlung in diesem Aufsaze angezeigt.A. d. Ue.) Man muß also das Wasser der Seine auf dem linken Ufer, unter der
Austerlitz-Bruͤke geschoͤpft, vorziehen, wenn man nicht ein
leichteres und schnelleres Mittel, als die bisherigen, findet, um fließendes Wasser
zu reinigen.
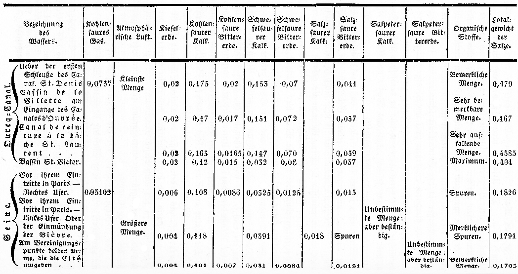
Tabelle der in 1000 Theilen enthaltenen Mengen der
Bestandtheile.
Textabbildung Bd. 36, S. 286
Bezeichnung des Wassers.
Kohlensaures Gas. Atmosphärische Luft. Kieselerde. Kohlensaurer Kalk.
Kohlensaure Bittererde. Schwefelsaurer Kalk. Schwefelsaure Bittererde.
Salzsaurer Kalk. Salpetersaure Bittererde. Organische Stoffe. Totalgewicht der
Salze. Qurcq-Canal. Ueber der ersten Schleuße des Canal. St. Denis Bassin
de la Villette am Eingange des Canales d'Ouvrée. Canal de ceinture
à la bâche St. Laurent. Bassin St. Victor. Vor ihrem Eintritte in
Paris – Rechtes Ufer. Ober der Einmuͤndung der Bièvre. Am
Vereinigungspunkte beider Arm, die die Cité umgeben. 0,0737. 0,05102.
Kleinste Menge. 0,02. 0,02. 0,02. 0,02. 0,006. 0,004. 0,004. 0,175. 0,17. 0,163.
0,12. 0,108. 0,118. 0,101. 0,02. 0,017. 0,0165. 0,015. 0,0086. 0,007. 0,153.
0,151. 0,147. 0,032. 0,0325. 0,0391. 0,031. 0,07. 0,072. 0,070. 0,08. 0,0125.
0,0084. 0,018. Unbestimmte Menge; aber beständig. Unbestimmte Menge; aber
bestaͤndig. Bemerkliche Menge. Sehr bemerkbare Menge. Sehr auffallende
Menge. Maximum. Spuren. Merklichere Spuren. Bemerkliche Menge. 0,479. 0,467.
0,4585. 0,404. 0,1826. 0,1791. 0,1705.
Textabbildung Bd. 36, S. 287
Bezeichnung des Wassers.
Kohlensaures Gas. Atmosphärische Luft. Kieselerde. Kohlensaurer Kalk.
Kohlensaure Bittererde. Schwefelsaurer Kalk. Schwefelsaure Bittererde.
Salzsaurer Kalk. Salpetersaurer Kalk. Salpetersaure Bittererde. Organische
Stoffe. Totalgewicht der Salze. Seine. Beim Austritte aus Paris. – Linkes
Ufer. Vor ihrer Vereinigung mit der Marne. Marne, vor ihrer Vereinigung mit der
Seine. Wasser du Cousin. (Avallon-Yonne.) Wasser des Pannats.
(Avallon-Yonne.) Maximum. 0,006. 0,004. 0,006. 0,019. 0,012. 0,021.
0,108. 0,119. 0,105. 0,043. 0,066. 0,032. 0,006. 0,009. 0,030. 0,0385. 0,031.
Spuren. 0,003. Spuren. 0,010. 0,0121. 0,017. 0,015. 00,16. 0,013. 0,021. Spuren.
0,017. Unbestimmte Menge, aber bestaͤndig. Unbestimmte Menge, aber
bestaͤndig. Sehr bemerkliche Menge. Spuren. Spuren. Bemerkliche Spuren.
Kaum bemerkliche Spuren. Nichts. 0,181. 0,1785. 0,1801. 0,007. 0,097.
0,066.
Bei den drei lezten Analysen fanden wir bemerkliche Spuren von
kochlsalzsaurer Soda (Hydrochlorate de Soude),
wir begriffen sie unter dem kochlsalzsauren Kalke.
A. d. O.